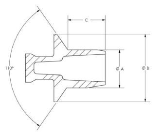
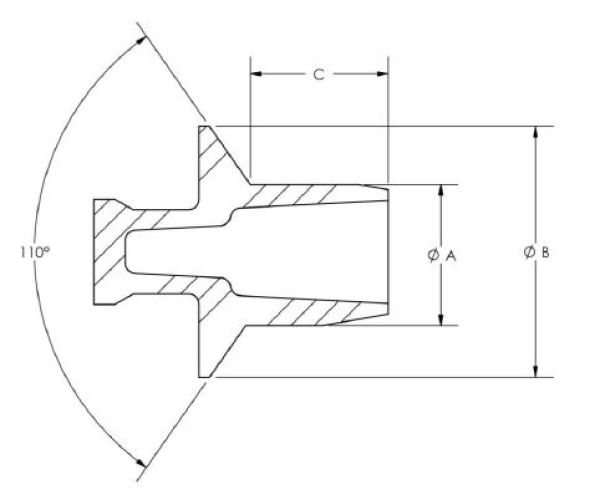
CSP Series plugs are designed to mask the angled face of the countersunk hole. Manufactured from our silicone material, these plugs are ideal for use in high temperature finishing processes such as powder coating, e-coating, plating and anodizing.
- Rib design allows the plug to fit both close and nominal size holes
- Features handle for easy installation and removal
- Imperial and metric sizes available
- Tapered inner design ensures debris will not get trapped
Material: Silicone
Standard Color: Various
Request a Call Back
For more information or to order samples we'd be pleased to call you back.






